高壓球閥KHB(BKH)/KHM(AKH)系列
【所屬分類】:國際標準液壓高壓球閥
【產品型號】:
【市場價格】:面議/電詢
【生產廠家】:寧波朝日液壓有限公司
【訪問人次】:次
系列代號:KHB(BKH)閥塊型球閥 KHM(MKH)袖套型球閥
;連接材料:G形式、LR形式、SR形式、M形式、NPT形式;閥體材料:1—鋼 2—不銹鋼;球體材料:1—鋼 2—不銹鋼 3—黃銅;球體處密封:1—POM 2—丁晴橡膠(NBR) 3—聚四氟乙烯(FPM) ...
1.型號說明
KHB _ G1/2 _ 1 2 1 2 _ 01 X _ ※
1 2 3 4 5 6 7 8 9
1、系列代號:KHB(BKH)閥塊型球閥 KHM(MKH)袖套型球閥
2、連接材料:G形式、LR形式、SR形式、M形式、NPT形式
3、閥體材料:1—鋼 2—不銹鋼
4、球體材料:1—鋼 2—不銹鋼 3—黃銅
5、球體處密封:1—POM 2—丁晴橡膠(NBR) 3—聚四氟乙烯(FPM)
6、閥桿和接頭處密封: 1—丁晴橡膠(NBR 2—聚四氟乙烯(FPM)
7、手柄型號:01—鋁質抱箍手柄,直柄(AG)DN12-50
02—鋁質抱箍手柄,曲柄(AK)DN12-50
03—鑄鋅抱箍手柄,直柄(ZG)DN04-13
04—鑄鋅抱箍手柄,曲柄(ZK)DN04-13
06—鋼質帶安全螺栓手柄,曲柄(SK)
09—無手柄 DN12-50
8、系列號:制造商定
9、表面防護:無-磷化 G-鍍黃鋅
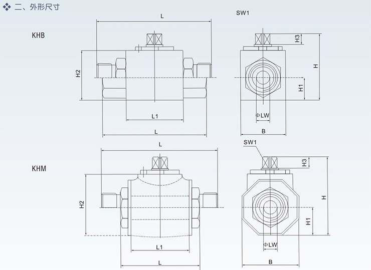
2.外形尺寸

3.連接形式及技術參數

CN
EN
ES





